Prinsip Kerja Transistor Sebagai Gerbang

Selain digunakan untuk penguat transistor bisa juga digunakan sebagai saklar. Caranya dengan memberikan arus yang cukup besar pada basis transistor hingga mencapai titik jenuh. Pada kondisi seperti ini kolektor dan emitor bagai kawat yang terhubung atau saklar tertutup, dan sebaliknya jika arus basis teramat kecil maka kolektor dan emitor bagai saklar terbuka. Dengan sifat pensaklaran seperti ini transistor bisa digunakan sebagai gerbang atau yang sering kita dengar dengan sebutan TTL yaitu Transistor Transistor Logic.
Transistor Sebagai Gerbang NOT

Prinsip kerja transistor gerbang NOT
-->
Gambar Rangkaian Transistor Sebagai Gerbang NOT

Gerbang NOT adalah gerbang yang berfungsi untuk membalik nilai logika. Jika inputnya berlogika 0 maka outputnya akan berlogika 1 dan begitu juga sebaliknya. Pada rangkaian diatas jika kita tekan atau aktifkan saklar SW1 maka lampu akan mati dan jika kita buka saklar SW1 maka lampu akan menyala. Prinsip kerja rangkaian gerbang NOT diatas adalah dengan memberikan 0 Volt pada basis emitor pada saat saklar langsung short dengan ground. Dimana tegangan yang jatuh pada tahanan 0 ohm adalah 0 volt sesuai dengan rumus pembagi tegangan atau dengan kata lain arus yang seharusnya masuk ke basis semuanya langsung ke ground melalui saklar SW1. Sebaliknya pada saat saklar SW1 dibuka arus akan mengalir pada basis transistor Q1 sehingga lampu akan menyala. 

Transistor Sebagai Gerbang AND
Prinsip kerja transistor gerbang AND

Gambar Rangkaian Transistor Sebagai Gerbang AND

Gerbang AND adalah gerbang yang berfungsi untuk mengalikan logika. Jika salah satu logika input gerbang AND diberi logika 0 maka apapun kondisi dari logika input yang lain maka outputnya akan tetap 0. Output yang berlogika 1 diperoleh jika semua input dari gerbang AND berlogika 1.
Pada rangkaian diatas posisi dari kedua saklar input adalah terhubung seri sehingga jika salah satu saklar input tersebut terbuka maka transistor tetap tidak akan mendapatkan arus untuk aktif. Tetapi jika kedua saklar tersebut diaktifkan barulah arus akan mengalir dan transistor akan aktif bagai kawat terhubung dan menyalakan lampu.
-->

Transistor Sebagai Gerbang OR
prinsip kerja transistor gerbang OR

-->
Prinsip Kerja Transistor Sebagai Gerbang OR

Gerbang OR adalah gerbang yang berfungsi untuk menjumlahkan logika inputnya. Pada prinsipnya penjumlahan logika pada elektronika digital adalah angka 1 dan 0. Dengan kata lain selama salah satu dari input ada yang berlogika 1 maka keluaran outputnya akan berlogika 1. Output yang berlogika 0 akan diperoleh hanya jika semua inputnya berlogika 0.
Pada rangkaian transistor diatas dapat kita mengerti dengan mudah bahwasanya basis transistor akan mendapatkan supply arus apabila salah satu atau kedua saklar SW1 dan SW2 diaktifkan. Lampu akan mati hanya jika kedua saklar input tersebut dibuka semuanya atau berlogika 0.


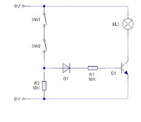
Transistor Sebagai Gerbang NAND

-->
Gambar Rangkaian Transistor Sebagai Gerbang NAND

Gerbang NAND adalah sebagai kebalikan dari gerbang AND dimana outputnya akan berlogika 1 apabila salah satu atau semua input dari gerbang NAND tersebut berlogika 0. Sehingga outputnya akan berlogika 0 hanya jika semua inputnya berlogika satu. Dari rangkaian dasar gerbang NAND diatas bisa kita simpulkan bahwa ketika kedua saklar SW1 dan SW2 diaktifkan maka idealnya basis transistor Q1 seperti terhubung langsung ke Ground, sehingga akan mengakibatkan tegangan basis emitor akan 0 volt. Pada kondisi seperti ini lampu akan mati dikarenakan transistor terbuka. Tetapi jika salah satu saja dari saklar berlogika 0 atau terbuka maka lampu akan menyala.


Transistor Sebagai Gerbang NOR

-->
Prinsip Kerja Transistor Sebagai Gerbang NOR

Gerbang NOR adalah kebalikan dari gerbang OR. Jika salah satu atau semua inputnya berlogika 1 maka outputnya akan berlogika 0. Output dari gerbang NOR akan berlogika 1 hanya jika semua inputnya berlogika 0. Pada rangkaian transistor diatas ketika kedua saklar input berlogika 0 atau terbuka maka transistor akan aktif dan lampu akan menyala dikarenakan adanya arus dari resistor R2. Tetapi jika salah satu saja atau kedua saklar inputnya diaktifkan, maka idealnya seperti menghubungkan terminal basis ke ground sehingga tegangan basis emitor Vbe akan 0 volt. Jika Vbe tidak mencapai 0.7 volt transistor tidak bisa menyalakan lampu BL2.

No comments:

Post a Comment